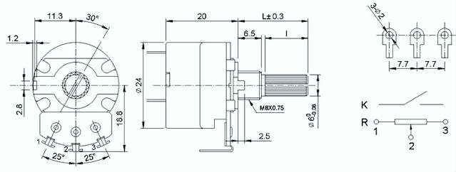
Φ24mm rotary potentiometer with switch
Rated power: Curve B: 0.5W
Other curve B: 0.25W
Max. Operation voltage: Curve B: AC 500V
Other curve B: AC 250V
Resistance range: 1KΩ~2MΩ
Resistance tolerance: ±20% (1MΩ or more 30%)
Rotational noise: ≤47mv
Terminal resistance: R≥250KΩ. 0.1%R Max.
250KΩ>R>10KΩ. 20Ω Max.
10KΩ≥R. 10Ω Max.
Resistance taper: A,B,C
Dielectric: AC500V for 1 minute
Switch contact resistance: Less than 30mΩ
Rated switching power: AC125V 1A,4A,6A
Insulation resistance: More than 100MΩ at DC250V
Rotational torque: 2~20 mN.m(20~200gf.cm)
Total rotational angle: 300°±5°
Shaft stopper strength: 6Kgf.cm
Switch working force/torque: 150~450gf.cm
Switch working angle: 50°±10°
Switch life: 10000 times
Rotary life: 10000 cycles
Soldering: 235℃±5℃:≤3s
Operating temperature: -10℃~ +100℃
 |
|