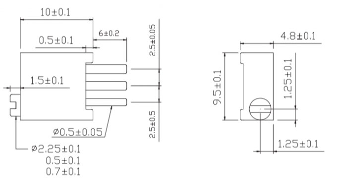
Top adjust multi turn trimmer potentiometer
Total mechanical travel: 30±2 turns nom
Staring torque: ≤35mN.m
Total resistance: 10Ω~2MΩ
Total resistance tolerance: ± 10%
Rated power: 0.5W(+70℃), 0W(+125℃)
Wiper current max.: 100mA
Mechanical endurance: 200 cycles

|