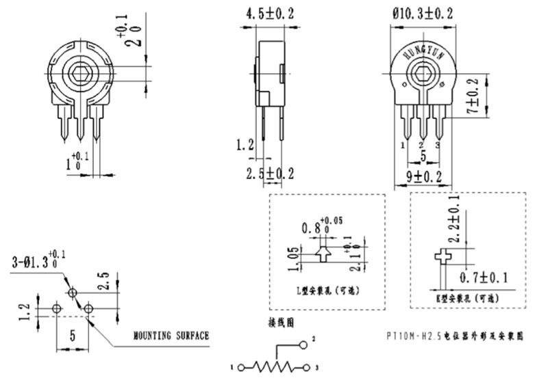
10mm trimmer potentiometer
Total rotation angel: 235°±10°
Electrical rotation angle: 200°±20°
Rotation torque: 0.4-2Ncm
Stop torque: >5Ncm
Total resistance: 500Ω~5MΩ
Resistance taper: B
Total resistance tolerance: ± 20%
Rated power: 0.15W(50℃)
Rotation of noise: ≤3% Rn
Max. Operating voltage: 200VDC
Rotation life: 10000 cycles

|