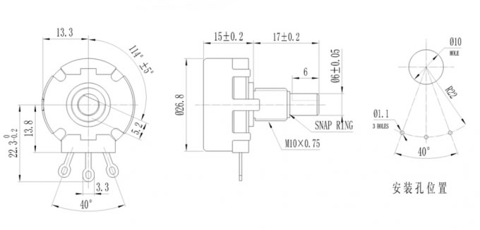
Single turn rotary potentiometer for welding machine
Total rotation angel: 312°±10°
Rotation torque: 150~450gf.cm
Stop torque: ≥12kgf.cm
Total resistance: 100Ω~2MΩ
Resistance taper: B
Total resistance tolerance: ± 20%
Rated power: 2W(50℃)
Rotation of noise: ≤47mV
Max. Operating voltage: 500VDC
Rotation life: 10000 cycles

|