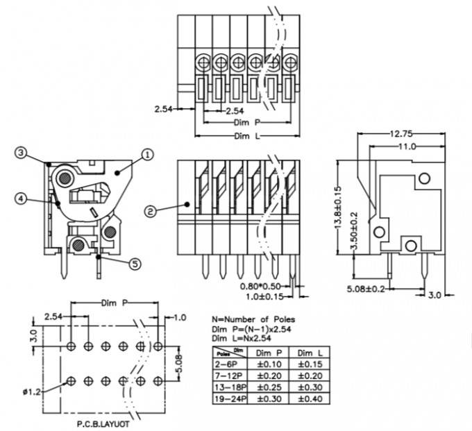
2.54mm pitch screwless terminal block
Voltage rating: 150V(UL), 130V(IEC)
Current rating: 5A, 6A
Insulation resistance: 500MΩ/DC500V
Withstanding voltage: AC1250V/1min.
Wire range: 24-18AWG 1.0mm²
Strip length: 11mm
Operating temperature: -40℃~+105℃
Soldering temperature: 250℃ ±5℃ / 5S

|